| Sign In | Join Free | My burrillandco.com |
|
| Ask Lasest Price | |
| Brand Name : | Link-pp |
| Model Number : | ARJM11K-111071A (LPJD0012BENL) |
| Certification : | RoHS Compliant |
| Price : | $0.32 - $0.95 |
| Payment Terms : | TT, NET30/60/90 Days |
| Supply Ability : | 10000 Pieces per Week |
| Delivery Time : | Enjoy On-time Dispatch Guarantee |
The ARJM11K-111071A is a high-performance 10/100Base-T Vertical RJ45 Connector designed with integrated LAN magnetics and LEDs for easy network status indication (left: green, right: yellow). This connector supports 10/100Base-T speeds, complies with IEEE 802.3ab standards, and is suitable for CAT 5 and CAT 6 cables. It features an 8P8C configuration, measures 16.0 x 16.7 x 16.9 mm, and has a single port with a 180° angle orientation for through-hole mounting. The ARJM11K-111071A is RoHS-compliant and is available with or without EMI shielding tabs, making it ideal for applications such as LAN, NIC, LoM, PC, industrial IoT, machine-to-machine communication, industrial process control, industrial robotics, and media converters.
| Products Part Number | ARJM11K-111071A |
|---|---|
| 1. Housing | |
| Material | PA46, UL94V-0 (for wave soldering option) |
| Standard Color | Black |
| 2. Insert | |
| Material | PA46, UL94V-0 (for wave soldering option) |
| Contact Material | Phosphor Bronze |
| Plating (1) | Nickel |
| Plating (2) | Gold, 6u” |
| 3. Metal Shell | |
| Material | Stainless Steel |
| Shield leg | pre-wetted |
| 4. Contact Pin | |
| Material | Phosphor Bronze |
| Plating (1) | Nickel |
| Plating (2) | 100%Sn |
| 5. LED | |
| Material | Diffused Epoxy Lens, 0.5x0.5mm Carbon Steel wireframe leads |
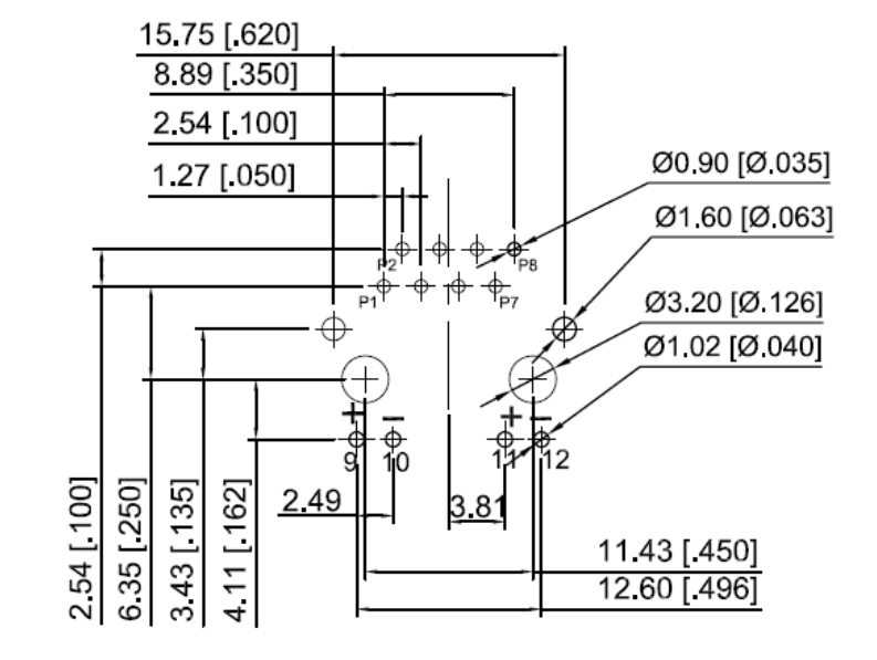
Recommended PCB Layout:


|