| Sign In | Join Free | My burrillandco.com |
|
| Ask Lasest Price | |
| Brand Name : | LINK-PP |
| Model Number : | 6605835-1 |
| Certification : | UL,ROHS,Reach,ISO |
| Price : | Supportive |
| Payment Terms : | TT,NET30/60/90 Days |
| Supply Ability : | 4600K.PCS/Month |
| Delivery Time : | Stock |
TE 6605835-1 | ||||||||||||||||||||||||||||||||
Specification | 6605835-1 Tyco |
| ||||||||||||||||||||||||||||||
|---|---|---|---|---|---|---|---|---|---|---|---|---|---|---|---|---|---|---|---|---|---|---|---|---|---|---|---|---|---|---|---|---|
Equivalent Cross Compatible | LPJG16314CNL | |||||||||||||||||||||||||||||||
Manufacturer | LINK-PP China | |||||||||||||||||||||||||||||||
Description | Gigabit Rj45 Jack Wo/LED | |||||||||||||||||||||||||||||||
Lead Free Status / RoHS Status | Lead free / RoHS Compliant | |||||||||||||||||||||||||||||||
Quantity Available | 2,000 PCS or 4 weeks | |||||||||||||||||||||||||||||||
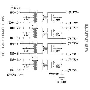
TE 6605835-1 Electrical Specifications @25℃
1.Impedance: 100 ohms
2.OCL: 350uH Min
@ 100KHz,0.1Vrms,8mADC BIAS
3.Turns Ratio:
TX=1:1 RX=1:1
4.Insertion Loss:
0.5-100MHz:-1.1dB Max
5.Return Loss(dB Min):
0.5-40MHz:-18
40.1-100MHz:-[12-20LOG(f/50)]
6.Crosstalk(dB Min):
0.5-40MHz:-35
40.1-100MHz:-[33-20LOG(f/50)]
7.Common Mode Rejection Ratio:
0.5-100MHz:-30 dB Min
8.Isolation Voltage: 1500Vrms
9.Operating Temperature: 0℃~70℃.

|