Sign In | Join Free | My burrillandco.com
Home > SFP Cage Connector >

LINK-PP 1X1 Press Fit LP11F012 SFP Cage with Spring Finger

LINK-PP INT'L TECHNOLOGY CO., LIMITED
Trust Seal
Verified Supplier
Credit Check
Supplier Assessment
Contact Now

LINK-PP 1X1 Press Fit LP11F012 SFP Cage with Spring Finger

LINK-PP 1X1 Press Fit LP11F012 SFP Cage with Spring Finger

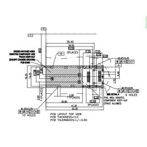
LP11F012 Drawings: LP11F012.pdf Recommended Bezel Design: Features and Benefits of LINK-PP Cages: Tape and Reel Packaging: Designed for easy pick-and-place on PCBs, simplifying the assembly process. ...

Product Tags:

1X1 SFP Cage

      

THT LINK-PP Cages

      

THT SFP Cage

      
Send your message to this supplier
 
*From:
*To: LINK-PP INT'L TECHNOLOGY CO., LIMITED
*Subject:
*Message:
Characters Remaining: (0/3000)